逆變器
本文主要講逆變器原理,逆變器是把直流電能(電池、蓄電瓶)轉變成定頻定壓或調頻調壓交流電(一般為220V,50Hz正弦波)的轉換器。它由逆變橋、控制邏輯和濾波電路組成。廣泛適用于空調、家庭影院、電動砂輪、電動工具、縫紉機、DVD、VCD、電腦、電視、洗衣機、抽油煙機、冰箱,錄像機、按摩器、風扇、照明等。

逆變器原理

逆變器原理如上圖,是一個典型的逆變器等效圖,圖中有S1~S4四個開關構成兩個橋臂,開關S1和S2為同一個橋臂,S3和S4為一個橋臂。當開關S1和S4閉合,S2和S3斷開,在其負載電阻上可得到Uo=Ud,當開關S2和S3閉合,S1和S4斷開時,負載電阻上即可得到Uo=-Ud,這樣以開關不斷進行操作,在負載上就得到了交流波形,完成直流變為交流的過程。其波形如下圖

需要說明,同一橋臂上的開關不能同時閉合,以免造成電源短路,通過改變開關的頻率即可改變交流電的頻率。實際上,上圖中的四個開關是各種半導體開關器件的理想模型,逆變電路中常用的半導體開關器件有晶閘管、場效應管和絕緣柵晶體管(IGBT)。例如下圖是一個由場效應管構成的開關電路。

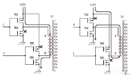
如圖,電路的開關器件是由N溝道場應管和P溝道增強型場效應管構成,組成推挽輸出的形式。當驅動信號為低電平L時,P溝道場效應管導管,當輸入信號為高電平H時,N溝道場管導管,這種交替導通避免了同一橋臂的兩個開關同時導通造成電源短路的危害。工作過程如下,場效應管TR3和TR4為同一橋臂,TR5和TR6為同一橋臂,由脈沖信號控制四個開關管的導通閉合產生交變信號施加在變壓器的低壓繞組上,在變壓器高壓繞組會感應出高壓交流電,完成直流向交流的逆變。
逆變器原理總結

逆變器原理,上面所述只是逆變器的基本原理,當然實際應用中,逆變器遠比這要復雜的多,一個完整的逆變器是由主電路、控制電路、驅動電路和輔助電源組成。
其中主電路部分包括各種各樣完成逆變的開關電路,主要由直流電源(電容)、緩沖器、開關橋路、濾波器和變壓器構成,完成能量級別的處理。
控制電路:采集主電路反饋量,實現控制算法和保護策略,得到開關管開關信號。
驅動電路:根據控制板的開關信號,驅動保證場效應管等開關器件的可靠開通和關斷。
輔助電源:控制芯片、驅動芯片的輔助電源電路。
總而言之,逆變器就是一種將直流電轉換成交流電使用的一種裝置。
逆變器特點
1.轉換效率高、啟動快;
2.安全性能好:產品具備短路、過載、過/欠電壓、超溫5種保護功能;
3.物理性能良好:產品采用全鋁質外殼,散熱性能好,表面硬氧化處理,耐摩擦性能好,并可抗一定外力的擠壓或碰擊;
4.帶負載適應性與穩定性強。
烜芯微專業制造二極管,三極管,MOS管,橋堆等20年,工廠直銷省20%,1500家電路電器生產企業選用,專業的工程師幫您穩定好每一批產品,如果您有遇到什么需要幫助解決的,可以點擊右邊的工程師,或者點擊銷售經理給您精準的報價以及產品介紹
烜芯微專業制造二極管,三極管,MOS管,橋堆等20年,工廠直銷省20%,1500家電路電器生產企業選用,專業的工程師幫您穩定好每一批產品,如果您有遇到什么需要幫助解決的,可以點擊右邊的工程師,或者點擊銷售經理給您精準的報價以及產品介紹

