不知大家平時有沒有留意,二極管的應用范圍是非常廣的,下面我們來看看我想到幾種應用,也可以加深對電路設計的認識:
A,特性應用:
由于二極管的種類非常之多,這里這個大類簡單羅列下:
穩壓二極管(齊納二極管),發光二極管,TVS管,肖特基二極管等等。
B,穩壓電路:
采用穩壓二極管,常用在電源輸入或者輸出端,對設備進行保護,防止過壓對損壞電路。需要選擇一個合適的鉗位電壓。
齊納二極管
C,發光指示電路
采用發光二極管,紅,綠,藍等不同顏色,指示電路當前的工作狀態,常見電路如下:


注意事項,一般需要避免把LED的負極直接拉到GPIO口進行控制,而是經過一個三極管或者MOS管后在通過GPIO控制,為什么呢?大家可以留言討論,或者在文末加群,群里跟大伙討論。
D,防靜電與防浪涌。
采用TVS管,可以應用于防靜電與防浪涌電路,注意這里只是簡單提一些,需要深入了解的可以查看相關的文章,后期會不斷豐富:
ESD與EOS(surge)防護器件選型
電源電壓過沖
E,防反接電路
采用肖特基二極管的開關頻率高,正向壓降低,導通電流大的特點,可以實現防反接電路。
幾種常見的電源防反接電路
F,整流電路:
由于畢業后再沒接觸過此電路,就不做分析,模電的一個經典電路。


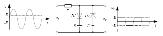
G:限幅電路:


H,門邏輯電路“與門”


這個看似簡單的電路,其實使用過程中有很多注意事項,大家也可留言討論。
I,門邏輯電路“或門”


J,單向電平轉換與防漏電


如上圖,
作用一:可以實現P3V3_SIGNAL2單向輸出到P1V8_SIGNAL1的電平轉換。
作用二:可以防止+V3P3A漏電到+V1P8S。
烜芯微專業制造二極管,三極管,MOS管,橋堆等20年,工廠直銷省20%,4000家電路電器生產企業選用,專業的工程師幫您穩定好每一批產品,如果您有遇到什么需要幫助解決的,可以點擊右邊的工程師,或者點擊銷售經理給您精準的報價以及產品介紹
烜芯微專業制造二極管,三極管,MOS管,橋堆等20年,工廠直銷省20%,4000家電路電器生產企業選用,專業的工程師幫您穩定好每一批產品,如果您有遇到什么需要幫助解決的,可以點擊右邊的工程師,或者點擊銷售經理給您精準的報價以及產品介紹

