LM311工作于單電源SV~30V 或土15V雙電源; 正電源工作電流為2. 4m A(典型值)、負電源工作電流為-1.3mA(典型值); 輸人失調電壓典型值為2mV; 輸人失調電流典型值為1.7nAy輸人偏置電流典型值為45nA; 電壓增益典型值為200V/mVi 響應時間典型值為200ns; 輸人電壓范圍為-14.7~13.8V。

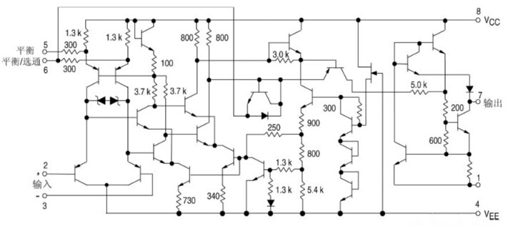
圖1 LM311內部結構圖
1.工作原理

(a) (b)
圖2 LM311電壓比較器原理原理圖
(a) 表示輸出電壓與輸入電壓之間關系的特性曲線,稱為傳輸特性。(b)為(a)圖比較器的傳輸特性。
(b)傳輸特性當ui<UR時,運放輸出高電平,穩壓管Dz反向穩壓工作。輸出端電位被其箝位在穩壓管的穩定電壓UZ,即 uO=UZ
當ui>UR時,運放輸出低電平,DZ正向導通,輸出電壓等于穩壓管的正向壓降UD,即uo=-UD
因此,以UR為界,當輸入電壓ui變化時,輸出端反映出兩種狀態,高電位和低電位。
2.應用電路
2.1簡單帶電路

圖3 基本電路圖
網上找了很多的LM311的應用電路這里給大家一個親測成功的電壓比較器
滑動變阻器分壓,最大阻值可自選
若要作過零比較器,3腳直接接地就OK
輸出端的上拉電阻和1腳接地不要省略
LM311,8引線,其第7腳為輸出,是集電極開路的結構,即所謂集電極開路門,簡稱OC門,其作用是為了滿足一些特殊的需要,如推動LED、燈、繼電器,及與后隨的數字電路等在電平上兼容。
因此,在應該輸出高電平的時候,就不會得到高電平,需要在7腳與正電源8腳之間接入一個電阻,如1kΩ左右,使集電極不再開路。
2.2晶體振蕩器電路

圖4 由LM311N構成的晶體振蕩器電路圖
能工作于5.0 到30 伏單個電源或土15 伏分離電源,如通常的運算放大器運用- 一樣,使LM211/LM311成為- -種真正通用的比較器、該設備的輸入可以是與系統地隔離的,而輸出則可以驅動以地為參考或以VCC 為參考,或以Vee 電源為參考的負載、此靈活性使之可以驅動DTL.RTL.TTL.或MOS邏輯、在電流達50毫安時,該輸出還可以把電壓切換到50伏。因此該LM211/LM311可用于驅動繼電器,燈或螺線管。

圖5 電源圖
(1) 失調電壓平衡(圖a)。調平衡時兩輸人端接地,調5kQ電位器,使輸出為最小電壓值(接近0V)。
(2) 單電源供電(圖b)。此時V。EE與GND連接。圖a圖b中,負載電阻R.接在VCC 與Output之間。
(3) R接在1腳與地之間(圖c)。按圖c接法輸入極性是顛倒的(即3腳作為同相端)。
(4)R.接在1腳與Vg之間(圖d)。E按圖d接法輸人極性是顛倒的。
(5) 正負電源時R.的一般接法(圖e)。
(6) 選通比較器接法(圖f)。在6腳接一個三極管作選通接法。在三極管基極接TTL高電平時,比較器被選通(正常工作); 基極加低電平時比較器不工作。
2.3光控器電路
該電路是基于電壓比較器集成電路LM311,IC1同相輸入端的電阻R3和R4 給出一個6V的參考電壓。因為光敏電阻在黑暗時阻值可達幾兆歐,反相輸入端的電位呈高電位,比較器呈低電位,Q1不導通,繼電器不吸合。反之,因為光敏電阻在照亮時阻值為5-10K,反相輸入端的電位呈低電位,比較器輸出端呈高電位,Q1導通,繼電器吸合。如果將LM311輸入端+ - 對換情況與上面所述正好相反。調節R1可設定多大照度時起控繼電器。

圖6 光控器電路圖
2.4TTL邏輯電平接口電路
由LM311構成的TTL邏輯電平接口電路

圖7 TTL邏輯電平接口電路圖
所示為由運算放大器(LM311)構成的TTL接口電路。該電路可以將不標準的輸入信號變成符合rrrL邏輯電平要求的脈寬信號,即高電平為5v,低電平為Ov。
電話:18923864027(同微信)
QQ:709211280
〈烜芯微/XXW〉專業制造二極管,三極管,MOS管,橋堆等,20年,工廠直銷省20%,上萬家電路電器生產企業選用,專業的工程師幫您穩定好每一批產品,如果您有遇到什么需要幫助解決的,可以直接聯系下方的聯系號碼或加QQ/微信,由我們的銷售經理給您精準的報價以及產品介紹

