RS2G貼片快恢復二極管2A 400V,RS2G封裝有SMA/SMAF/SMB多種封裝,RS2G的封裝不同,則尺寸不同,參數一致
RS2G快恢復二極管/SMA參數規格書: 點擊下載
RS2G快恢復二極管/SMAF參數規格書: 點擊下載
RS2G快恢復二極管/SMB參數規格書: 點擊下載

RS2G,SMA/SMAF/SMB封裝參數如下:

Maximum repetitive peak reverse voltage VRRM 最大重復峰值反向電壓:400V
Maximum DC blocking voltage VDC 最大直流閉鎖電壓:400V
Maximum average forward rectified current I(AV) 最大正向平均整流電流:2A
Maximum instantaneous forward voltage at 2A VF 2A時的最大瞬時正向電壓:1.3V
Maximum DC reverse current at rated DC blocking voltage TA=25℃ IR 額定直流阻斷電壓下的最大直流反向電流:5.0uA
Maximum DC reverse current at rated DC blocking voltage TA=125℃ IR 額定直流阻斷電壓下的最大直流反向電流:200.0uA
Operating junction and storage temperature range TJ,TSTG 工作溫度和存儲溫度范圍:-55to +150℃
Maximum reverse recovery time 恢復時間:150ns
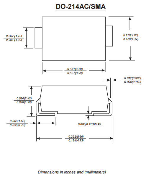
RS2G快恢復二極管,DO-214AC/SMA封裝尺寸:

RS2G快恢復二極管,SMAF封裝尺寸:

RS2G快恢復二極管,DO-214AA/SMB封裝尺寸:

聯系號碼:18923864027
QQ:709211280
烜芯微專業制造二極管,三極管,MOS管,橋堆等,20年,工廠直銷省20%,1500家電路電器生產企業選用,專業的工程師幫您穩定好每一批產品,如果您有遇到什么需要幫助解決的,可以直接聯系上方的聯系號碼或加QQ,由我們的銷售經理給您精準的報價以及產品介紹

