當今社會越來越重視能源節約,無效損耗越小越好,特別是一些儀器儀表行業,在模塊電源應用選型中,對模塊電源的待機功耗要求很高,本文與大家一起探尋模塊電源待機損耗在哪?怎樣降低待機功耗?
DC-DC電源模塊待機的時候,輸出端無負載 ,但產品又存在待機損耗,這些損耗都耗在了哪里,又該如何去減小這些損耗呢?本文將一探究竟。
一
啟動電路損耗
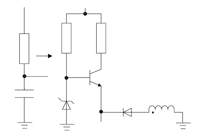
一般的啟動電路都是R+C啟動,如圖1左,啟動電路中的電阻會有一定損耗,這個損耗看起來不大,但在待機的時候,還是占有一定的比重。那該如何減小此損耗呢?再兼容產品啟動和短路能力的同時,R取值越大損耗越小。還有一種方法是產品啟動后,讓R不工作,損耗自然會變小,如圖1右所示把啟動電路改進,損耗就會變小。

圖1 啟動電路
二
變壓器的損耗
變壓器的損耗包括鐵損和銅損,變壓器的鐵損受工作頻率和感值的影響,頻率低損耗小,感值高損耗小,所以設計變壓器的時候,要兼顧工作頻率和感量值,在一個比較合適的值,損耗就會?。淮龣C的時候變壓器銅損是很小的,對整體的損耗影響甚微,設計變壓器的時候,選擇適當的線徑及匝數即可。
三
IC損耗
IC都會有一個工作電流,使IC能夠正常工作,這個損耗是無法避免的,在IC選型的時候盡量選擇工作電流小的。
四
開關管損耗
輸入端的MOS管Q1在待機的時候,主要體現的是開關損耗,所以需要降低待機時MOS管的損耗,待機的工作頻率就要降低。芯片選型的時候,選擇芯片工作在輕載和空載情況下會跳頻(即降低空載和輕載的工作頻率),MOS管要選用低柵荷的,從而降低損耗。
整流管D1損耗包括開關損耗,反向恢復損耗,導通損耗。整流管選型時,選擇低導通壓降和反向恢復時間短的二極管,可以降低損耗。


圖2 主電路框圖
五
吸收電路的損耗
開關MOS管DS極之間通常會加一個小電容如圖2左,用來吸收管子上的電壓尖峰,MOS管上的這個吸收電容C5會損耗能量,在確保管子應力有足夠余量的情況下,吸收電容容值越小,損耗越小。
輸出整流管上的RC吸收電路如圖2所示,降低RC吸收的損耗,在電路允許的情況下,減小電容C12容值,減小電阻R6阻值可以降低損耗。


圖3 吸收電路
六
假負載電阻損耗
大部分的模塊電源產品都會在輸出端加一個假負載,用來保證模塊在空載或是很輕的負載情況下產品的穩定性,這個假負載會帶來損耗。在確保模塊性能穩定的情況下,假負載電阻選擇越大損耗越小。當電路不需要接假負載也能夠穩定的工作,可以選擇不加假負載,這樣假負載的損耗就不存在了。
電話:18923864027(同微信)
QQ:709211280
〈烜芯微/XXW〉專業制造二極管,三極管,MOS管,橋堆等,20年,工廠直銷省20%,上萬家電路電器生產企業選用,專業的工程師幫您穩定好每一批產品,如果您有遇到什么需要幫助解決的,可以直接聯系下方的聯系號碼或加QQ/微信,由我們的銷售經理給您精準的報價以及產品介紹

