常用的門電路在邏輯功能上有與門、或門、非門、與非門、或非門、與或非門、異或門等幾種。邏輯門電路通常使用晶體管、集成電路或其他電子元件實現。
邏輯門電路可以用于數字電路、計算機、通信和控制系統等領域。在數字電路中,邏輯門電路用于處理和操作數字信號,從而實現不同的功能和任務。在計算機中,邏輯門電路構成了計算機的基本組成部分,用于執行算法和程序。在通信和控制系統中,邏輯門電路用于解碼、編碼、調制、解調等操作。
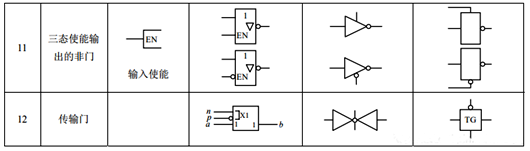
電路邏輯門圖形符號






注:在表的第三列列出了限定符號,限定符號有總限定符號、輸入/輸出限定符號、內部連接符號、方框內符號、非邏輯連接和信息流指示符號等。
總限定符號用于表征邏輯單元的總邏輯功能,輸入/輸出限定符號標注在方框內輸入端或輸出端,用于說明輸入或輸出的功能消息等等。
〈烜芯微/XXW〉專業制造二極管,三極管,MOS管,橋堆等,20年,工廠直銷省20%,上萬家電路電器生產企業選用,專業的工程師幫您穩定好每一批產品,如果您有遇到什么需要幫助解決的,可以直接聯系下方的聯系號碼或加QQ/微信,由我們的銷售經理給您精準的報價以及產品介紹
聯系號碼:18923864027(同微信)
QQ:709211280

