光耦驅動繼電器電路圖(一)


注:
1U1-1腳可接12V,也可接5V,1U1導通,1Q1導通,1Q1-3=0V,線圈兩端電壓為11.7V.
1U1-1腳不接或接地,1U1不通,1Q1截止,1Q1-3=11.9V,線圈兩端電壓為0V。


注:
“DYD_CPU_OUT”連接LPC2367,輸出高低電平,高電平,1U4不通,1Q7不通,UCE=12V,1Q7-3=12V,線圈兩端電壓為0V。
DYD_CPU_OUT”為低電平,1U4導通,U43=1V,U3=11V,UCE=0V,1Q1-3=0V,線圈兩端電壓為11.7V。以上兩圖是低電平使能。
這兩種適用于CPU初始化時,GPIO口為高電平的情況,否則初始化會造成誤動作。


“DYD_CPU_OUT”連接LPC2367,輸出高低電平,低電平,1U4不通,1Q7不通,UCE=12V,1Q7-3=12V,線圈兩端電壓為0V。
“DYD_CPU_OUT”為高電平,1U4導通,U43=1V,U3=11V,UCE=0V,1Q1-3=0V,線圈兩端電壓為11.7V。此圖是高電平使能。繼電器的常閉觸點接負載。
第2和第3圖中的1R16換成510歐,1R7換成1K,否則會有上電瞬間,高電平干擾。尤其是第3圖,高電平使能。
光耦驅動繼電器電路圖(二)
繼電器開關模塊由TLP521 -4 、ULN2803 和SRD -12VDC 及三極管構成,由微控制器輸出的信號經過三極管構成的開關電路送往TLP521 -4 光耦芯片再通過ULN2803 達林頓管的放大后用來驅動SRD-12DC 繼電器, 進而達到控制空調的各種開關的作用, 繼電器開關控制模塊與微控制器的電路連接圖如圖3 所示。


光耦驅動繼電器電路圖(三)
24V繼電器的驅動電路


說明:VCC是5V。
繼電器串聯RC電路:
這種形式主要應用于繼電器的額定工作電壓低于電源電壓的電路中。當電路閉合時,繼電器線圈由于自感現象會產生電動勢阻礙線圈中電流的增大,從而延長了吸合時間,串聯上RC電路后則可以縮短吸合時間。原理是電路閉合的瞬間,電容C兩端電壓不能突變可視為短路,這樣就將比繼電器線圈額定工作電壓高的電源電壓加到線圈上,從而加快了線圈中電流增大的速度,使繼電器迅速吸合。電源穩定之后電容C不起作用,電阻R起限流作用。
基極和發射極的電阻的作用是:在沒有正向偏置電壓的情況下,保證基極的電壓為零,防止三極管的受外部的干擾而誤導通,其實就是為了保證可靠性。具體的阻值的大小倒不絕對,10K、100K都可以的,只是起到下拉的作用,電流非常很小的。此繼電器驅動電路已經驗證通過,開和關狀態良好,實際應用中最好把5V、24V兩組直流電源的地分開,再配合光藕實現真正的隔離效果。
光耦驅動繼電器電路圖(四)
用光耦驅動繼電器電路




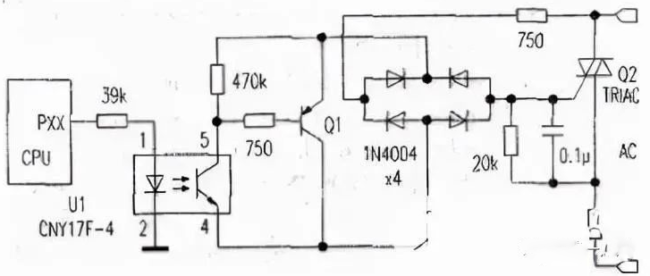
光耦驅動繼電器電路圖(五)
用光電耦合器用隔離驅動電路
微機的接口電路中,實現主機與外設的隔離,一般有兩種方式:一種是使用繼電器;另一種是使用光電耦合器。
采用電池的功耗產品,對電池的電能消耗是需優先考慮的,附圖的電路采用光電耦合器作為隔離,電池的消耗電流可低至50μA以下,但驅動器提供的電流大于1A。
此電路對元件的要求比較高,光電耦合器U1只能采用型號為CNY17F-4的正品元件,實驗中試過十多種光電耦合器,僅此型號輸入電流50μA時,電路即可工作,其余光電耦合器驅動電流都需幾百微安以上。


Q1、Q2的耐壓可根據兩管工作輸入電壓的大小而定,若輸入電壓大于220V,需使用耐壓高于400V的三極管與可控硅。
另外,對Q1要求穿透電流要小,對功率沒有要求。對Q2要求觸發電流小于15mA,否則可能會出現負半周削波的現象。
〈烜芯微/XXW〉專業制造二極管,三極管,MOS管,橋堆等,20年,工廠直銷省20%,上萬家電路電器生產企業選用,專業的工程師幫您穩定好每一批產品,如果您有遇到什么需要幫助解決的,可以直接聯系下方的聯系號碼或加QQ/微信,由我們的銷售經理給您精準的報價以及產品介紹
聯系號碼:18923864027(同微信)
QQ:709211280

