
傳真:
18923864027
QQ:
709211280
地址:
深圳市福田區振中路84號愛華科研樓7層
反激式,正激式開關電源區別解析反激式開關電源反激式開關電源是指使用反激高頻變壓器隔離輸入輸出回路的開關電源。反激指的是在開關管接通
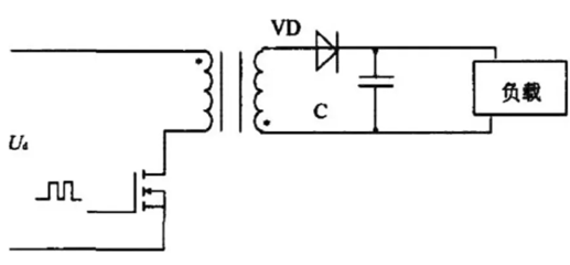
正激式開關電源圖文介紹正激式開關電源和反激式電源最明顯的區別就是變壓器,在反激式開關電源中,我們知道變壓器主要起的作用就是儲存能量
反激式開關電源設計圖文介紹一、反激式開關電源下圖是一個反激式開關電源的原理圖。輸入電壓范圍在AC100V~144V,輸出dc12v的電壓。開關電源
自激式多路輸出穩壓開關電源介紹自激式多路輸出穩壓開關電源設計原理:下圖是自激式多路輸出穩壓開關電源的原理圖。圖中X1_C1 、X1_C2 、
硬件電路,RC吸收電路設計圖介紹RC吸收電路也叫RC緩沖電路,它是電阻Rs與電容Cs串聯,并與開關并聯連接的電路結構。用于改進電力電子器件開
MOSFET搭建電源緩啟動電路解析電源在進行插拔時,會有如下兩種情況出現:1、電源連接器的機械觸點在接觸瞬間會出現彈跳;2、由于系統大容量
過壓保護+防反接+緩啟動電源保護電路介紹過壓保護、防反接、緩啟動電源保護電路過壓保護、防反接、緩啟動電源保護電路原理說明:1、過壓保
三極管控制繼電器電路圖解析三極管驅動繼電器的時候,不管是NPN還是PNP,都要把繼電器接在三極管的集電極,而不會接在發射極上。下面和大家
MOS管驅動感性負載詳解1 負載在直流電路中的特點電阻性負載:電流電壓的關系符合基本歐母定律,I = U R 。感性負載:允許電流流過,但
MOSFET散熱器熱阻計算圖文介紹如果產品中采用強制冷卻方式,比如風扇,那么散熱器的尺寸可能不需要那么大。但是,對于依靠空氣對流冷卻或自
MOSFET在新能源電動車中的應用介紹MOSFET最早出現在大概上世紀60年代,首先出現在模擬電路的應用。功率MOSFET在上世紀80年代開始興起,在如
汽車電子核心元件,MOSFET技術介紹新型應用中有4大要素在推動汽車電子功率器件的演進:足夠的關斷電壓等級 (Bvdss)、 系統功率要求、系