
傳真:
18923864027
QQ:
709211280
地址:
深圳市福田區振中路84號愛華科研樓7層
N溝道MOS管飽和區,邏輯門電路詳解導電溝道機理:如果外部不加控制電壓就有導電溝道的是耗盡型。如果需要外部加控制電壓才有導電溝道的是增
共源級MOS管飽和區小信號增益解析作為放大器,其最重要的功能就是在大信號的支持下且保證一定精度時強調對小信號的增益。本文介紹一個公式
MOS管,利用MOS管降低供電電壓介紹如何降低供電電壓下面電路就是利用一顆N溝道MOS管來實現上電瞬間輸出高電壓,核心板啟動之后,輸出低電壓
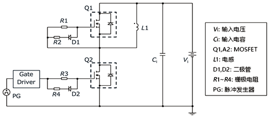
MOSFET測試,什么是雙脈沖測試解析通過雙脈沖測試來評估MOSFET體二極管的反向恢復特性,并確認MOSFET損耗情況。MOSFET體二極管的反向恢復特
雙脈沖測試電路原理及波形示意圖介紹功率器件的很多動態參數可以從器件的數據手冊中獲取,但是器件手冊只給出特定測試條件下的動態參數。當
MOSFET失效模式,dv dt失效是什么dv dt失效是MOSFET關斷時流經寄生電容Cds的充電電流流過基極電阻RB,使寄生雙極晶體管導通而引起短路從而造
dV dt對MOSFET動態性能的影響介紹MOSFET的dv dt是指開關瞬態過程中漏極-源極電壓的變化率。如果dv dt太大,可能發生振鈴,進而可能導致MOS
MOSFET di dt與dv dt分開控制方法介紹功率 MOSFET 的開關過程功率 MOSFET 的開通過程中可以分為 4 個階段,關斷過程的基本原理和開
米勒效應對MOSFET開關過程有什么影響嗎下面以圖10中電機控制電路來說明米勒效應對MOSFET開通關斷過程的影響。在圖10控制電路中,上管導通時
MOS管選型,MOSFET應用方案解析MOSFET應用案例解析1、開關電源應用從定義上而言,這種應用需要MOSFET定期導通和關斷。同時,有數十種拓撲可
MOSFET的門源極并聯電容介紹MOSFET門源極并聯電容后,開關可靠性得到提升開關電路如下圖:電路解釋1 該電路用于高邊開關,當MOS_ON 網絡拉
電路設計,過熱保護電路圖介紹過熱保護電路圖(一)原理電路是以電機過熱保護為例,由PTC熱敏電阻和施密特電路構成的控制電路。圖中,RT1、R