
傳真:
18923864027
QQ:
709211280
地址:
深圳市福田區振中路84號愛華科研樓7層
小功率電機驅動方案與驅動IC的選擇介紹電機驅動作為工業中工廠自動化整個閉環中的執行器環節,其性能好壞直接影響到整個閉環的性能。因此,
MOSFET,電源開關設計怎么選擇最優MOSFETMOSFET(金屬氧化物半導體場效應晶體管)主要用于開關應用中,具有高電壓和高電流的特點。它們具有
運算放大器中(軌到軌)的作用詳解設計放大電路時,隨著信號的幅度的增大,輸出信號逐漸增大。但會遇到下面兩種情況:1)當輸出信號增大到一
功率MOSFET的驅動電感性負載解析本文介紹了采用表面貼裝封裝設計LITTLEFOOT?功率MOSFET的過程。它描述了功率MOSFET的驅動電感性負載,公共
SiC MOSFET的橋式結構圖文解析20 世紀90 年代以來,碳化硅(silicon carbide,SiC)MOSFET 技術的迅速發展,引起人們對這種新一代功率器
SiC MOSFET柵極驅動電路與Turn-onTurn-off動作SiC MOSFET橋式結構的柵極驅動電路LS(低邊)側SiC MOSFET Turn-on和Turn-off時的VDS和ID
電阻最大電壓怎么計算,兩種計算方法介紹導體對電流的阻礙作用就叫該導體的電阻。電阻(Resistor,通常用R表示)是一個物理量,在物理學中表
運算放大器,運算放大器線性應用的重點知識詳解集成運算放大器是采用一定制造工藝將大量半導體三級管、電阻、電容等元件以及它們之間的連線
功放電路,功放電路圖文介紹功放,顧名思義,就是功率放大的縮寫。與電壓或者電流放大來說,功放要求獲得一定的、不失真的功率,一般在大信
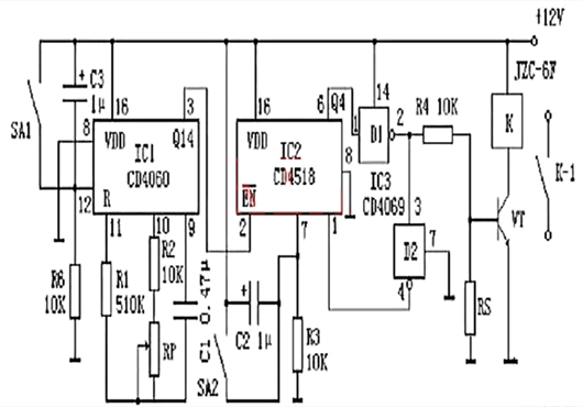
延時電路,幾種延時電路原理詳解1、 精確長延時電路圖該電路由CD4060 組成定時器的時基電路,由電路產生的定時時基脈沖,通過內部分頻器分
尖峰電流和PCB布局時的去耦電容解析尖峰電流的形成:數字電路輸出高電平時從電源拉出的電流Ioh和低電平輸出時灌入的電流Iol的大小一般是不
半導體元器件過電應力失效圖文解析半導體元器件在整機應用端的失效主要為各種過應力導致的失效,器件的過應力主要包括工作環境的緩變或者突