
傳真:
18923864027
QQ:
709211280
地址:
深圳市福田區振中路84號愛華科研樓7層
單色 多色LED RGB LED驅動電路設計介紹發光二極管 (LED) 是一種簡單經濟的狀態信息顯示方法。但是,對于某些項目而言,一個單色 LED
12v充電器電路圖-12v充電器原理圖解簡易12v充電器電路圖(一)充電過程分析:1 維護充電:當電池電壓較低時(可設定,本電路預設在9V以下),充
光電隔離電路設計分析新型電路原理圖1所示是隔離放大器的原理電路。本隔離放大電路主要由光電耦合器和運算放大器構成。光電耦合器選用普通
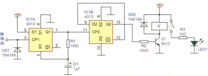
觸摸開關原理解析與電路設計介紹這是一個用4013組成的觸摸開關電路,只要用手觸摸一次開關即可接通,再觸摸一次開關斷開。電路原理圖見下圖所
TL494在集成電路中的基礎應用解析TL494是一種電壓驅動型脈寬調制控制集成電路,應用于多種開關電源中。本次介紹它與相應輸入、輸出電路等構
三閃信號燈電路方案設計介紹這是在一個循環周期內可以使LED閃爍3次,且3次閃爍間隔不等的電路。電路原理圖見下圖。圖中,由IC1A、IC1B與C1、R
電路設計常用電路分析方法介紹1:直流等效電路分析法在分析電路原理時,要搞清楚電路中的直流通路和交流通路。直流通路是指在沒有輸入信號
過壓過流保護電路設計介紹本方案采用 555 時基電路的過電壓、過電流保護電路本電路是一個通過 555 時基電路來對負載進行過電壓、過電流
2個經典的智能手機充電電路圖設計案例介紹第一種電路原理:AC220V電壓經D3半波整流、C1濾波后得到約+300V電壓,一路經開關變壓器T初級繞組L
電容降壓的原理詳細解析一、電容降壓原理電容降壓的工作原理是利用電容在一定的交流信號頻率下產生的容抗來限制最大工作電流。例如,在50Hz
小型穩壓電源的設計和制作1 電路工作原理用三端可調正壓集成穩壓器LM317構成的穩壓電源電路如下圖所示。圖中220V的交流電經保險管送到變壓
雙鍵觸摸式智能LED控制電路方案設計介紹本雙鍵觸摸式照明燈電路圖使用兩個觸摸電極片,分別代替在實際生活中的開和關控制。其電路工作原理