
傳真:
18923864027
QQ:
709211280
地址:
深圳市福田區振中路84號愛華科研樓7層
肖特基二極管在電路中的作用和應用解析在電子行業中,幾乎每個工程師都知道肖特基二極管,但是你真的了解其內部結構、作用、應用領域及為什
色環穩壓二極管穩壓值計算圖解由于小功率穩壓二極管體積小,在管子上標注型號較困難,所以一些國外產品采用色環來表示它的標稱穩定電壓值。
ESD靜電二極管—靜電保護知識什么是電路保護?其實電路保護有點像人有時候要買保險,車要買車險是一樣的道理,電路也需要保護。在正常的情
二極管發光原理和LED燈帶二極管就是把一個N型半導體和P型半導體疊放一起,N型P型是向半導體中摻入了不同的雜質,由于N型、P型半導體的導電
如何分析二極管導通條件與畫波形圖正向時二極管截止,輸出Uo跟隨輸入Ui。反向,當|Ui|較小,|Ui|+U<Vt時(Vt為二極管導通電壓),二極管仍
源表應用之二極管I-V特性解析一、概念:二極管是兩端口電子器件,支持電流沿著一個方向流動(正向壓),并阻礙電流從反方向流動(反向偏壓
PIN二極管的原理與應用一、PIN二極管的原理和結構一般的二極管是由N型雜質摻雜的半導體材料和P型雜質摻雜的半導體材料直接構成形成PN結。而
超快軟恢復二極管的優點與應用在大功率輸出的開關電源中,PFC的效率是極其重要的,在輸入電橋中,來自AC端通過大電容的脈沖電流不僅含有基
變頻空調電阻器-晶體二極管檢測方法介紹電阻器檢測在電路中對電流有阻礙作用并且造成能量消耗的部分稱為電阻器,簡稱電阻。電阻器的英文縮
整流二極管的工作與反向恢復原理1、二極管從正向導通到截止有一個反向恢復過程在上圖所示的硅二極管電路中加入一個如下圖所示的輸入電壓。
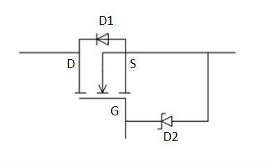
MOSFET二極管保護電路解析MOSFET在應用時通常有如下圖所示的D1,D2二極管電路,很多人都有疑問:兩個二極管究竟起什么作用呢?1,D1為MOSFE
二極管模塊技術選型知識二極管模塊技術選型鑄造輝煌,IGBT硅片的結構與功率MOSFET的結構分相似,主要差異是IGBT增加了P+基片和一個N+緩沖層(