
傳真:
18923864027
QQ:
709211280
地址:
深圳市福田區振中路84號愛華科研樓7層
無線充電應用的次級端整流橋應用方案知識摘要:本文主要介紹了在無線充電應用中,如何進行次級端的整流橋設計,并對三種設計方案進行了比較
固態繼電器的分類和工作原理固態繼電器(Solid State Relays,縮寫SSR)是一種無觸點電子開關,由分立元器件、膜固定電阻網絡和芯片,采用混
如何防止浪涌電壓沖擊功率因數控制電路或充電器解析多數用到直流-直流轉換器或電機變頻器的產品設備必須對市電交流電壓進行整流處理,例如
怎么按線路板還原電路原理圖在拿到一個產品的時候,很多時候,我們并沒有電路圖,那么,我們在這種情況下,如何講述清楚線路板的原理以及工作情
常用的直流開關電源保護電路圖解隨著科學技術的發展,電力電子設備與人們的工作、生活的關系日益密切,而電子設備都離不開可靠的電源,因此
單結晶體管構成晶閘管觸發電路圖解用單結晶體管構成的晶閘管觸發電路如圖1 所示,觸發電路的有關電壓波形如圖2 所示。與單結晶體管構成弛
數字型感應加熱電源方案知識中頻感應加熱電源在目前的工業制造領域應用十分廣泛,也是很多工程師和廠家的重點關注方向之一。在今明兩天的方
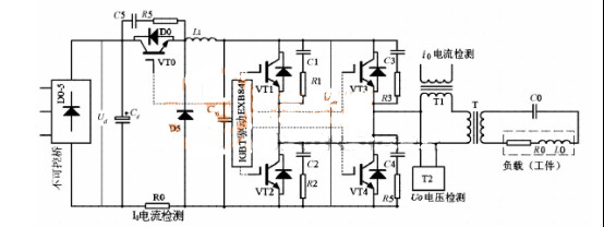
全橋型IGBT電源計算電路圖解電源系統中,電感L與高頻變壓器T的設計是關鍵。從圖2看出,逆變電路的負載只有電感L及變壓器T的原邊,當功率管
增加AC-DC電源掉電保持時間的簡單方法介紹ACDC開關電源有一項重要的技術參數——掉電保持時間,指從AC掉電到輸出電壓下降到精度范圍(通常
基于大功率LED驅動電源電路設計知識LED光源作為一種新型綠色光源,由于其具有耗電量低、壽命長、反應速度快、高效節能等優點,已被越來越廣
浪涌電流與浪涌抑制器分類和主要技術詳解浪涌電流指電源接通瞬間,流入電源設備的峰值電流。由于輸入濾波電容迅速充電,所以該峰值電流遠遠
開關電源如何實現電壓控制與內部結構原理開關電源是利用現代電力電子技術,控制開關管開通和關斷的時間比率,維持穩定輸出電壓的一種電源,